
2022-05-06|admin
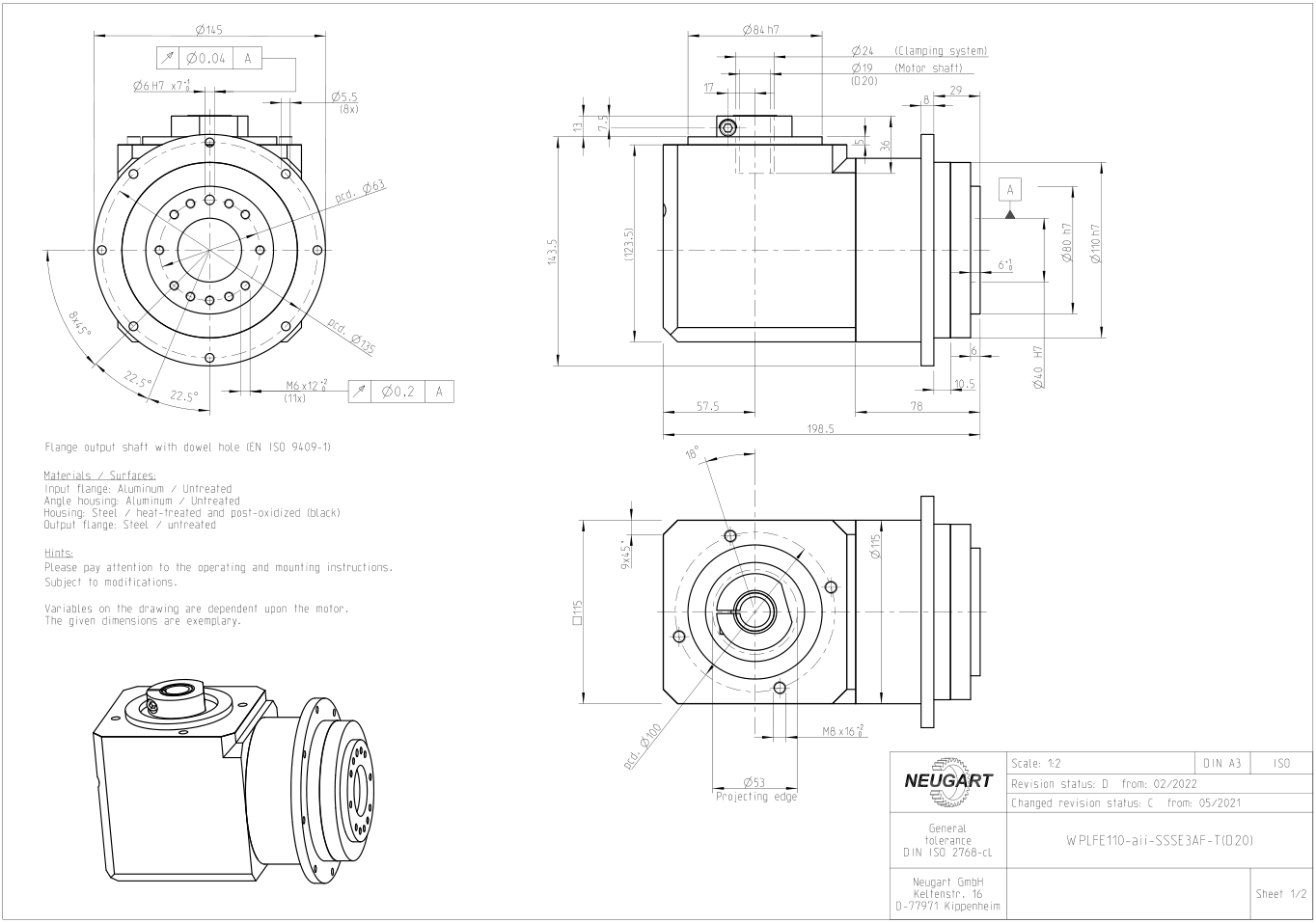
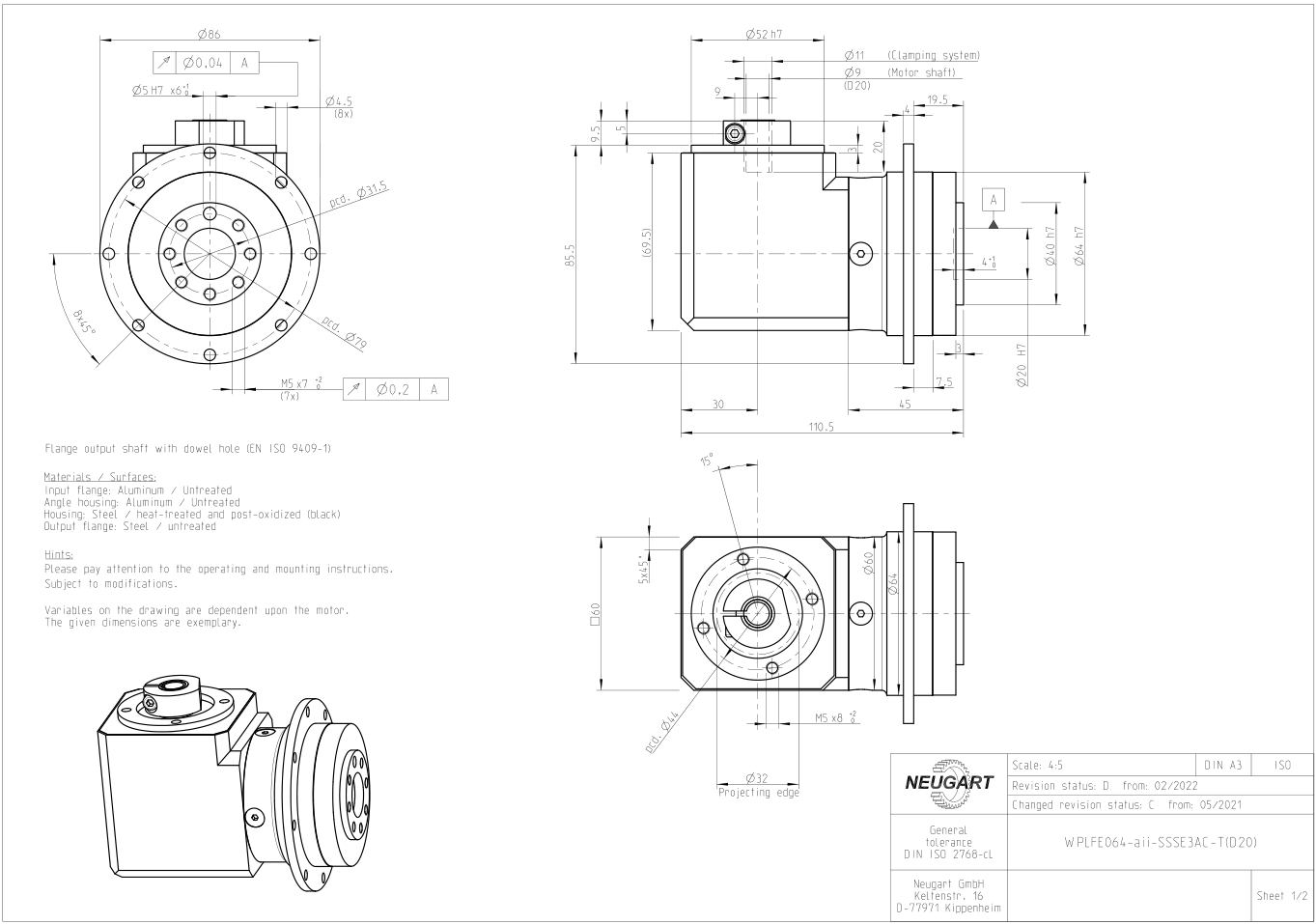
WPLFE right-angle planetary gearbox adopts flange output mode, the overall structure is compact, saves one third of the installation space, and can be installed normally in some relatively narrow installation environments. This WPLFE gearbox has high torsional rigidity, and the built-in positioning pin holes also provide a certain safety guarantee for installation. The WPLFE gearbox has three structural sizes of 64, 90, and 110 to choose from. The overall structural size can be understood in the drawings below. If you need to customize it, you can contact the technology online. Planetary gearbox CAD drawing download, 3D model download, etc. are available.
Example of internal dimension drawing of WPLFE planetary gearbox:
WPLFE64 Structural Dimensions
WPLFE90 Structural Dimensions
WPLFE110 Structural Dimensions
WPLFE planetary gearbox structure and dimension diagram download:
WPLFE064 Reference Drawings.zip
WPLFE090 Reference Drawings.zip
WPLFE110 Reference Drawings.zip
